- 25 mai 2025
- | Source: PMG
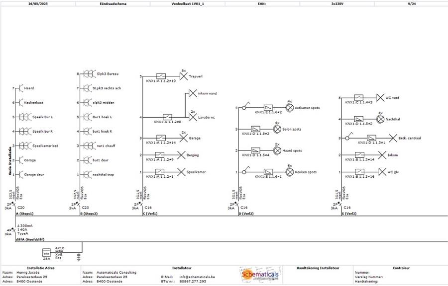
D'abord schémas électriques puis l'installation?
Pour une installation plus rapide et précise, il est recommandé d'utiliser le schéma à un fil et un schéma de connexion pour vos modules domotiques. Cela permet un raccordement des câbles entrants dans la boîte de distribution plus efficace. De plus, en utilisant un programme tel que Schematicals, vous réduisez les risques d'erreurs dans les horaires. En cas d'ajustement nécessaire, le programme met à jour automatiquement toutes les connexions à travers les différents schémas, assurant une installation sans faille.
Lisez cet article gratuitement ?
Inscrivez-vous et devenez abonné en ligne gratuitement
Vous êtes déjà abonné?
Inscrivez-vous pour profiter d'un accès illimité à notre site Web.
En vous inscrivant, vous recevrez le newsletter. Vous pouvez suspendre le newsletter à tout moment et sans autres formalités. Nous garantissons que votre adresse e-mail et autres données personnelles ne seront jamais communiquées à des tiers et seront uniquement utilisées pour l'envoi du newsletter.
En vous inscrivant, vous acceptez Les conditions de respect de la vie privée.